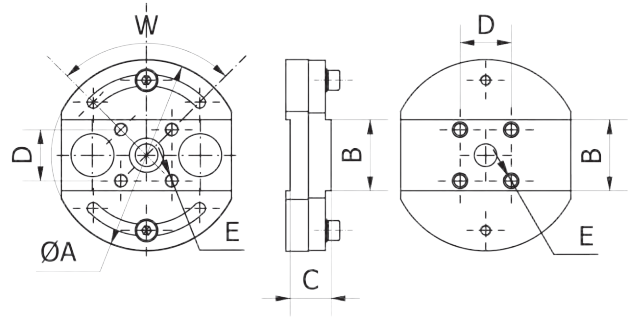
Home | Components | Cylinder and Slide Accessories | HEU 16 A XY ROTATIONAL ADAPTER
Request Information