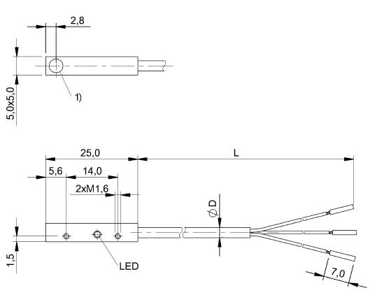
PRECISE INDUCTIVE SENSOR
Whenever precise sensing is needed the IE AL K sensor is utilized. It is used in our parallel grippers PGR for part present detection, in the stacking guide and in the monitoring GRF gripper fingers.
- 24 V DC (10V-30V)
- 3000 Hz switching frequency
- 2.5V drop
- 2 meter cable
- 26C – 70 C temperature range
- aluminum housing
- IP 67
- available in PNP/NPN NO/NC
Part No.
- 1-808-38-00 = PNP / NO
- 1-808-39-00 = NPN / NO
- UAI-BES01A1 = PNP / NC
- UAI-BES 516-3041 = NPN / NC



